在战后的废墟中发展起来的日本工业设计,走过了半个多世纪的历程。从明治维新开始学习西方的日本,经历了「二战」的迷失与挫败,战后,他们用自己擅长的造物改善本国人的生活,又以稳健的步伐获得世界的认可。在几十年里,日本的造物者创造了无数让人印象深刻的设计,在《知日·日本制造力!Made in Japan》特集中选取了不同时期、不同领域的日本制造,从他们背后的设计者、与设计故事看看他们是如何一步一步走到今天的。
日本制造的背后其实连接着无数的人、品牌与故事。今天为大家分享无数故事中的几个。
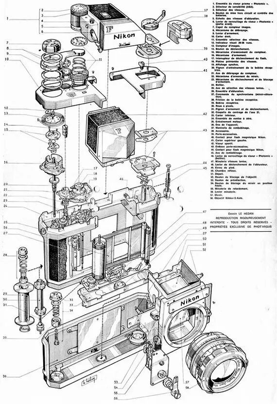
NikonF 单反相机
1959年 龟仓雄策

NikonF的诞生,宣告了单镜反光相机「明星」时代的到来,也是尼康真正意义上的单反相机。自发售后的15年间,NikonF 的产量高达86万台,尼康也凭借着 NikonF 受到了大多数专业摄影师的青睐,特别是在媒体云集的纽约,几乎将有 NikonF 的人等同于专业的摄影师,也就是在这个时候,尼康成为了世界品牌。
NikonF 在设计上一举攻破了当时单镜反光照相机的缺点,同时也将其优点发挥到了极致,虽然内置了五棱镜和镜箱,外形却并没有因此扩大,没有一点笨重感。同时它还能应对各种摄影要求的变换,在1964年的东京奥运会上的摄影拍摄上担任了重要的角色。
NikonF 的外观设计者,是日本有名的现代平面设计师龟仓雄策。最初龟仓是尼康的海报设计者,同时还设计了 NikonSP 的包装。在 NikonF 的设计上,龟仓选用了直线形的构造,棱角分明的设计和顶部三角形的标识设计,几乎成了 NikonF 的象征,整体所展现的洗练简洁,即便在时代的流逝间也丝毫不显褪色。

Nikon F 构造图
电源插座
1962年 松下电工 宣传部设计科

现在再常见不过的插电板,在当时却是震惊大众的发明。在家用电器逐渐普及的50年代后期,电源插座从松下电工应运而生。
为了满足更多电器的同时使用,设计者将插座本身设置为立体状,并在四周添加了两个插孔的插座形式,而它恰到好处的倾斜角是设计者为了安全着想而专门设计的部分。因为孩子常常会对醒目的东西好奇,为了避免由此带来的触电事故,插座的设计都以房间的基调色为准。为了在榻榻米的房间使用也没有危险,插座采用圆润的棱角设计。直到2003年,这样的电源插座累积销售量达到一亿个,直到现在早已成为生活中不可缺少的存在。
新干线0系
1964年 日本国有铁道

1964年东京奥运会召开之前,东海道新干线开业了。这个首次亮相在日本国民眼前的「梦之特快」新干线0系,作为世界上超高速电车的标志、或者是日本经济高度发展的象征而深刻的印在人们脑海里。1963年试运行的时候,新干线0系就以时速256千米创下了世界纪录。
新干线0系的开发者曾多次前往机场观察飞机的构造,最终制造出来的新干线0系,其流线型的头部和蓝白色的喷漆都是模仿飞机而成。
虽然外观上和飞机的机头相似,但是新干线0系采用木头模型,经过无数次的实验之后才得来的。为了使它安全性和高速行兼备,开发者进行了无数次的造型修正。
不单在外形上,车身内的座位、洗手间、垃圾箱、站点的标识等,都采用了统一的设计,这在工业设计还没有完全渗透到列车行业的当时,可谓是一项创举。0系的设计,和这些车辆设计师息息相关。
新干线0系的设计,为日本铁道列车设计迎来黎明期奠定了基础。
本田DREAM CB750 FOUR
1969年 本田技研工业

如今日本摩托车的制造在世界的影响力不言而喻,但是上世纪60年代,称霸这片市场的还不是日本,而是欧洲。本田在1969年制造出了这款梦想之车 DREAM CB750 FOUR,它成为了日本制霸摩托车市场的起点。
1959年,本田将摩托车目标市场指向美国,但当时美国市场上流行的还是哈雷一类大排量的重型摩托车,本田在美国并不受欢迎。
1968年,这款本田 DREAM CB750 FOUR 终于完成设计,1969年打进欧洲市场。本田 DREAM CB750 FOUR 在欧美市场上引起了轰动。在世界摩托车 GP 赛上,这辆四冲程摩托车打败了欧洲的二冲程摩托车,连战连胜,杂志上屡屡刊登它的消息。本田摩托车靠着 DREAM CB750 FOUR 成功进军了世界。
这台搭载4个消音器、750cc 的四缸摩托车载在美国上市,成功制霸美国市场,本田DREAM CB750 FOUR 设计,可以说是日本摩托车史上的一个里程碑。
爱利发美工刀
1979年 爱利发(OLFA)

现在办公室或家里用的美工刀,只要刀片变得钝了,就可以替换刀片。这种便利刀具的发明,最初是在日本。
1955年,在印刷公司工作的冈田良男,看见用剃须刀刀片或是刀刃不锋利的刀裁纸的工人时,就想「难道没有可以一直保持锋利程度的刀吗?」他看见有的制鞋匠人将玻璃弄碎代替刀片使用,还有驻日美军把大块儿的巧克力掰成一小块一小块的享用,冈田受到启发,发明可以将变钝的刀刃掰下来的美工刀。
考虑到安全性的问题,冈田并没有把刀设计成折叠的形式,而是滑动的形式。和板状巧克力一样,他在刀刃上制作上沟槽,可以方便使用者将刀刃掰下来。冈田经过无数次的试错,才知道设计成多大的尺寸合适;为了不伤到手又易于滑出,刀尖的角度要多少度才比较好;为了能方便的将刀片折下来,沟槽的深度要有多深…
为了唤起使用者的警戒意识,爱利发美工刀统一使用黄色,此外,黄色还能给人温暖的印象。
爱利发有46件商品获得过日本优良设计大奖,生产的商品出口到100多个国家。
NEC Digital Mova N 翻盖手机
1993年 NEC Design

当NEC于1991年发布 mova N 概念机时,使用了榻榻米式的折叠理念,其创新的造型、轻巧的身材与更便利的使用方法,使笨重的手提电话相形见绌,从此宣告开启了风靡日本几十年的翻盖手机时代。
翻盖式手机保留了与概念机同样的折叠设计,在减小电话体积的同时,也拉近了麦克风与嘴部的距离,能更清楚地传递双方声音又不打扰到周围的人,这也正好符合日本人尊重隐私、不愿意打扰他人的社会习惯。
听筒部分突出、麦克部分凹入,在合上时能正好嵌合,其四四方方的凹凸不平却使得整体造型看上去显得单板俗气。而 mova N 中,为了简化造型设计,设计部门花了一年时间,将凹凸部分做成了难度更高、却更流畅的 S 形曲线。为了更方便用户使用,他们区分了手机内外侧的颜色,涂装了内部键盘使肌肤接触到时更舒适,还设定了打开后的呈现角度为 2 度,以防止逆向折叠。
1999 年互联网开始兴起,拥有较大的液晶屏幕、又可以打字发邮件的翻盖手机真正地领来了行业的春天。对于 NEC 的设计师们而言,因竞争激烈而导致翻盖手机设计越来越难、越来越精细的趋势,既是对自身的挑战,又是新的机会。

SILENT Violin 静音电子小提琴
1997年 雅马哈设计研究所

1997年,雅马哈发表了静音系列电子小提琴,当年便获得了优良设计奖的交互设计奖。去除琴身的共鸣箱,只在一侧保留了小提琴的轮廓的外观颇具设计感,让人印象深刻。
静音乐器系列依靠独有的再现声音的静音技术,通过琴桥 中内藏的拾音器捕捉琴弦的振动,通过数字处理,再现小提琴特有的共鸣音和琴弦回响。而声音的能量只有原来的千分之一,在听觉上,音量可以得到控制,方便在家进行练习。
「在设计时,第一重要的不是声音再现,而是操作性和演奏感。」
首先静音乐器已经不需要共鸣箱了,但演奏时需要通过外框的凹处判断弓的位置和角度。因此选择了设计师峰郁郎主张的仅保留单侧的框架的设计。虽然看起来有些破天荒,但单侧框架的形状不仅满足了功能上的必然性,同时给予了外观独特的存在感。
在整体重量上,设计团队在外框的部分采取了树脂材料,确保轻量、牢固与量产性。而在内藏拾音器的本体中心部分使用了天然木材,提高了音质。
在静音电子小提琴推出的最初阶段,冲击性的外形受到了不少质疑,但随着时间的检验,批评的声音渐渐消失,在乐器设计上好评如潮。
A-POC
1999年 三宅一生、藤原大

通常的衣服都是将布料进行剪切,再设计缝合,三宅一生与藤原大在 A-POC —— A Piece Of Cloth系列中挑战了超越制造衣服的方法。
20世纪70年代,三宅一生在研究着身体与布料的关系时,探访了欧洲的成衣生产产业。在这样的背景下,他与藤原大一起在 ISSEY MIYAKE 98年春夏系列中发表了A-POC 系列的「0——Just Before」。从衣服成型之前的阶段,即一根一根的线开始设计起,Just Before 就是用计算机程序编织,让人可以自由裁剪布料,而裁剪处不会绽开。

三宅一生一直强调的观点是「设计具有推动时代的力量。」A-POC也在之后不断进化,1999年推出的A-POC 1(king & queen)将套装、上衣、裙子、帽子等都进行了设计,沿着剪刀线就能剪出衣服的形状。2001年,A-POC 获得了G Mark 大奖,随后又开发了布匹 A-POC 3和能够通过27个部分缝合出夹克的 A-POC 10。
A-POC 采用的把线、布料、图形、形状都数据化的现代方法,在伞、袜子、渔网等布料关联领域也都可以利用。电脑程序能实现从线的编成到服装最后的成型,大大提升了量产效率。
无印良品
1980年~ 株式会社 良品计划

以「无品牌+优良品」的独特理念,去除单纯刺激消费欲望的过剩设计。80年代,无印良品为追求自我实现的人们创立,从设计、素材选择、简化的包装都保留着最初的样貌,至今仍以诚恳、普世的设计,在世界范围内俘获着人心。
无印良品于1980年12月作为西友百货的自有品牌创立。堤清二是西武流通集团的创始人,他认为「流通是资本价值与人性价值的临界点」。他敏锐地意识到在社会达到一定程度的富足后,人们会越发追求个性化,选择独特的商品是顾客自我实现的表达手段。
在这样的理念下,堤清二向田中一光提出了品牌设计需求,田中一光设计团队,提出了「无印良品」的品牌构想。
无印良品初创时,品类只有 9 种日用品和 31 种食品。「便宜有理由」(わけあって安い)的广告语体现了品牌的理念,商标使用了再生纸,包装上只印刷有商品名和价格,以及这件商品「便宜的理由」,比如纸杯上印刷着「因为省略了表面的叠层加工,所以便宜了」。

1981年无印良品海报,海报上的文案是:便宜有理由。
1983年,无印良品在东京的青山一号店,一个月内便完成了一年的销售额。1991年,以「MUJI」(即日语中「无印」的读音)的品牌名出品海外。2001年,田中一光钦点了原研哉作为艺术指导,深泽直人作为品牌顾问,在他们手上,让无印良品在21世纪延续着它的品质。

1980年的第一批无印良品商品的鲑鱼罐头

2000年发售,深泽直人设计的壁挂式 CD 播放器
GreenFan
2010年 巴慕达 BALMUDA

在炎炎夏日里,没有什么比突然拂过皮肤的自然风更让人舒服的了。再现自然风——GreenFan 就解决了人们这一痛点。GreenFan的秘密就在独特的叶片设计上,双层、共14片叶片能引起的气流流动范围,是普通风扇的4倍,带来大面积空气流动,让人感觉仿佛吹拂着自然风一般。同时也拥有强大的静音效果,最小风量的音量只有相当于两只蝴蝶煽动翅膀的音量大小。良好的送风功率、无刷电机、低耗电回路设计,让其省电效率极高,一个夏天所耗的电费只有约大约 29 日元(约1.7元)。GreenFan 的出现让 BALMUDA 这个品牌被推向了话题前端。

GreenFan 的核心技术双层叶片的构造获得了很多国家的专利。这是BALMUDA创始人寺尾玄在构思如何创造自然的风的过程中摸索出来的。内层的叶片送出的风速缓慢,外层的叶片送出快速的风,外侧的风向内侧聚集,集中到一点后会向外散开,从而送出面积更宽的风。寺尾的灵感来自电视中看到的小学生的30人31脚跑步比赛,排在一排的孩子们,速度因为又快又慢,跑得慢的孩子逐渐因为跟不上速度而摔倒。看到这里寺尾立刻联想到风的运动,这才将叶片做成了双重构造。
遭遇金融危机的BALMUDA濒临破产,抱着背水一战的心情,寺尾玄选择了构思已久的电风扇品类。 GreenFan 也让处于破产危机中的公司绝处逢生。寺尾玄回忆道:「
永远也忘不了那种在看不见的道路上全速冲刺的爽快感。」
特集看点
1.日本设计运动・工业设计谱系


2. 20大日本经典工业设计


3.Made in Japan 名作巡礼, 10位日本设计师及其代表作品


4.日本制造的历史变迁:
汽车设计篇、摩托车制造篇、音频设备篇、影像工业篇



5. 以索尼为代表的日本制造之路
vs
巴慕达、nendo、Snow Peak,Mintdesigns等新生代与异端者




6.独家专访:巴慕达BALMUDA创始人寺尾玄 、nendo创始人佐藤大



7.日本好设计「优良设计奖」


8.细致到笔尖的日本文具之美

9.纪行:融入生活、传统与现代的日本制造之旅





知日